Undergraduate Research Assistant - CSM Shock & Impact Lab
Accomplishments/Responsibilities:
Gas Gun / Shock Tube Mount Design and Fabrication
I designed a custom table mount system that held and stabilized the labβs gas gun and shock tube during usage. This design was a unique approach that met the design objectives while offering relatively easy installation, cost effectiveness, and high versatility.
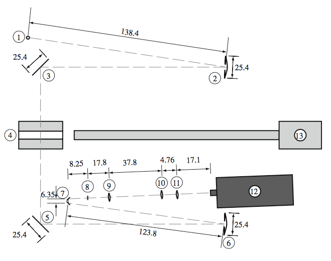
Optics Setup
I have assembled and calibrated the optics used within the lab, including a Schlieren photography setup. The proper setup of these optics allows consistent visual data to be collected during experimentation.
Organizational Setup
In order to help the team maintain a high level of efficiency, I have implemented several organizational and web-conferencing tools - including Todoist, Zoom, and Discord. These tools help the team stay on track and communicate effectively with one another.
Management of Part Ordering
To help the team meet its material needs, I have overseen the submission of several parts orders, which have totaled over $8500. This process involved the generation and optimization of detailed bills of materials, which allowed the team to focus on the task at hand without waiting on the shipping times afforded by a waterfall approach to parts ordering.
Working within COVID-19 Limits
I have demonstrated an ability to produce substantial results in a physically limited environment due to COVID-19 restrictions. This has only been made possible through careful planning, effective use of web-conferencing and organizational tools, and strict adherence to safety regulations.
